|
DS-AL - Anemostat aluminiowy nawiewny/wyciągowy.
Anemostat DS-AL przeznaczony jest do nawiewu lub wywiewu powietrza w instalacjach wentylacyjnych i klimatyzacyjnych, w środowisku nieagresywnym o wilgotności względnej do 70%. Zalecany do nawiewu poziomego w pomieszczeniach o wysokości do ok. 4 m.
Specyfikacja |
Montaż:
Za pomocą śruby centralnej na kanałach wentylacyjnych prostokątnych, w skrzynkach rozprężnych, w sufitach podwieszanych lub na wylocie przewodu kołowego. Mocowanie poza skrzynką rozprężną za pomocą króćca przyłączeniowego PK.
Budowa:
Ramka czołowa oraz kierownice wykonane z walcowanych, dyfuzorowo ukształtowanych profili aluminiowych. Osadzenie kierownic na stałe w ramce zewnętrznej.
Materiał:
Aluminium malowane proszkowo RAL 9010.
Regulacja przepływu:
Przepustnica na wlocie do anemostatu.
Opcje dodatkowe:
Dane techniczne |

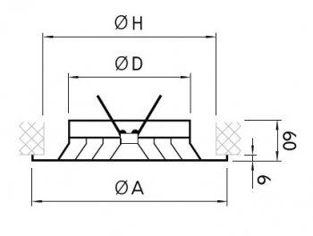
| Wielkość D |
ØA [mm] |
ØD [mm] |
ØH [mm] |
PK [mm] |
|---|---|---|---|---|
| 150 | 257 | 149 | 225 | 150/160 |
| 200 | 307 | 199 | 275 | 200/200 |
| 250 | 357 | 249 | 325 | 250/250 |
| 300 | 407 | 299 | 375 | 300/315 |
| 350 | 457 | 349 | 425 | 350/400 |