Anemostat sufitowy kasetonowy ASN-K
Anemostat sufitowy kasetonowy ASN-K 595x595 do nawiewu lub wywiewu powietrza w instalacjach nisko i średnio-ciśnieniowych, w środowisku nieagresywnym o wilgotności względnej do 70%. Zalecany do nawiewu poziomego w pomieszczeniach o wysokości do ok. 4 m.
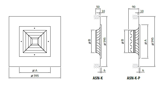
Montaż:
- na kanałach wentylacyjnych prostokątnych, w skrzynkach rozprężnych i w sufitach podwieszanych
- mocowanie za pomocą widocznych śrub w wytłaczanych otworach w ramce czołowej anemostatu, w panelu czołowym lub z mocowaniem centralnym oraz w wersji bez otworów.
Budowa:
- panel czołowy stalowy, kierownice wykonane z walcowanych, dyfuzorowo ukształtowanych profili z blachy stalowej
- osadzenie kierownic na stałe w ramce zewnętrznej.
Materiał:
- blacha czarna, ocynkowana lub kwasoodporna.
Wykończenie powierzchni:
- powłoka lakiernicza proszkowa biała RAL 9003 lub na zamówienie inna zgodna z katalogiem RAL.
Regulacja przepływu:
- za pomocą przepustnicy przeciwbieżnej typ P. Ustawianie przepływu powietrza odbywa się od czoła bez konieczności demontażu anemostatu
- za pomocą przepustnicy jednopłaszczyznowej na wlocie do skrzynki rozprężnej SR.
Certyfikaty:
- Rekomendacja techniczna
- Atest higieniczny