Centrala wentylacyjna LOSSNAY LGF-GX (pionowa)

Centrala wentylacyjna przypodłogowa LGF to idealne rozwiązanie dla dużych i skomplikowanych obiektów, takich jak: biurowce, hotele, muzea, teatry, uczelnie, szpitale, centra handlowe czy zakłady przemysłowe. Urządzenie to zapewnia oszczędność energii na poziomie nawet 70%, a w połączeniu z systemem klimatyzacji Mr. Slim lub City Multi VRF jest w stanie osiągnąć stopień sprawności i odzysku ciepła na poziomie 88%.

Urządzenie Lossnay LGF w wykonaniu spełniającym standardy higieniczne odznacza się specjalną konstrukcją obudowy i otrzymało, po przeprowadzeniu odpowiednich badań, certyfikat zgodności z wytycznymi VDI 6022. Oznacza to, że wszystkie elementy są wygodnie dostępne od frontu urządzenia, zatem można je z łatwością wyczyścić.

Zalety:

Oprogramowanie do wymiarowania i obliczania

Do rekuperatorów Lossnay dostępne jest oprogramowanie umożliwiające precyzyjne wymiarowanie i obliczanie.W ten sposób można wymiarować urządzenia oraz obliczać korzyści pod względem efektywności i oszczędności energii w porównaniu z tradycyjnymi rozwiązaniami.

Dane techniczne

Dane techniczne

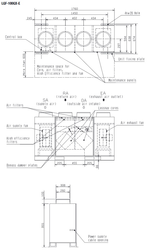
Wymiary

Wymiary

Akcesoria

Akcesoria