|
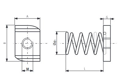
Nakrętka ślizgowa SM-NSL-M to nakrętka ślizgowa przeznaczona do mocowania pręta gwintowanego PG do profilu nośnego. Wersja SNL/SNKL wyposażona jest w sprężynę eliminującą drgania nakrętki. Ponadto ułatwia ona jej mocowanie.
Dane techniczne |

| Kod |
M [mm] |
Ød [mm] |
A [mm] |
B [mm] |
G [mm] |
L [mm] |
| SNP-0606 | M6 | - | 20 | 35 | 6 | - |
| SNP-0806 | M8 | - | 20 | 35 | 6 | - |
| SNP-1008 | M10 | - | 20 | 35 | 8 | - |
| SNP-1212 | M12 | - | 20 | 35 | 12 | - |
| SNL-0606 | M6 | 18 | 20 | 35 | 6 | 30 |
| SNL-0806 | M8 | 18 | 20 | 35 | 6 | 30 |
| SNL-1008 | M10 | 18 | 20 | 35 | 8 | 30 |
| SNL-1212 | M12 | 18 | 20 | 35 | 12 | 30 |
| SNKL-0606 | M6 | 18 | 20 | 35 | 6 | 15 |
| SNKL-0806 | M8 | 18 | 20 | 35 | 6 | 15 |
| SNKL-1008 | M10 | 18 | 20 | 35 | 8 | 15 |
| SNKL-1212 | M12 | 18 | 20 | 35 | 12 | 15 |