Nawiewnik szczelinowy podłogowy NSP
Nawiewnik podłogowy NSP do nawiewu i wyciągu powietrza w instalacjach nisko i średniociśnieniowych. Odpowiedni do nawiewu ciepłego lub zimnego powietrza.
Montaż:
- bezpośrednio w podłogach lub parapetach okiennych nie dalej od powierzchni szklanych niż 0,2 m, w miejscach nieprzewidzianych do częstego przebywania osób
- na etapie budowy montaż przez zalanie zaprawą murarską lub betonem.
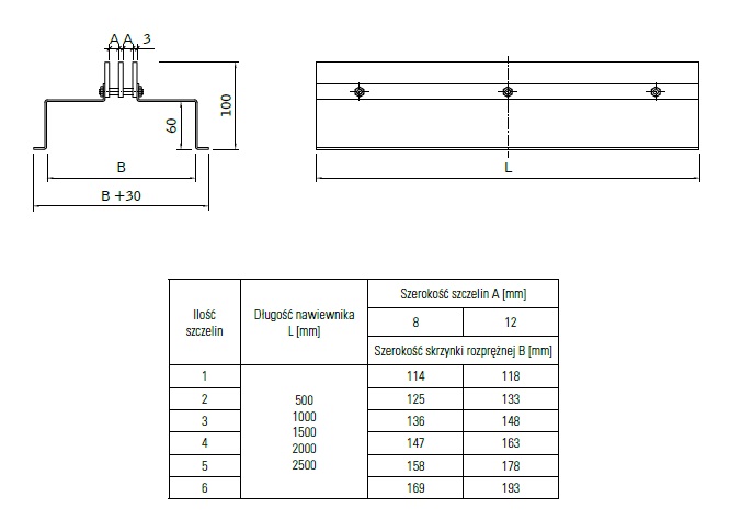
Budowa:
- kierownice wykonane z wytłaczanych profili aluminiowych
- skrzynka rozprężna wykonana z blachy ocynkowanej lub aluminiowej
- szerokość szczelin standardowo: 8 mm lub 12 mm.
- ilość szczelin: 1÷6
- długość standardowa: 1 mb
- maksymalna długość pojedynczego modułu: 2,5 mb.
Materiał:
- aluminium, stop 6063, blacha ocynkowana.
Wykończenie powierzchni:
- aluminium anodyzowane lub powłoka lakiernicza proszkowa w kolorze zgodnym z katalogiem RAL.
Regulacja przepływu: