Sterownik rekuperatorów B3B-MSR/A
Sterownik MSR-A ten jest przeznaczony do sterowania pracą central czterobiegowych typu ZWC-A, B, C oraz D, oraz trzybiegowych B3B-WX15, 20, 30, 40, 60 oraz 80.
Istnieje możliwość podłączenia sterownika do już pracujących central.
Sterownik jest zbudowany z dwóch modułów. Moduł sterujący (na zdjęciu), oraz moduł wykonawczy umieszczony na urządzeniu. Moduł sterujący może być montowany w dowolnym miejscu (np. na ścianie). Jest połączony z rekuperatorem popularnym kablem RJ45 z wtykiem (długość max 15m). Na wyświetlaczu sterownika oprócz aktualnej godziny wyświetlane są aktualne obroty i wykres nastawionych obrotów w danym dniu. Po zaniku napięcia program przechowywany jest w pamięci.
FUNKCJE STEROWNIKA MSR-A:
- zaprogramowanie czasów pracy oraz biegów rekuperatora dla każdego dnia tygodnia oddzielnie, z częstotliwością co godzinę,
- przejście w tryb ręczny gdzie sterownik ignoruje zaprogramowany rozkład pracy i pracuje w jednym z dwóch trybów MAX obroty lub MIN obroty (dla wentylatorów czterobiegowych może być to np. 1 i 3 bieg)
- informacja o konieczności wymiany filtrów,
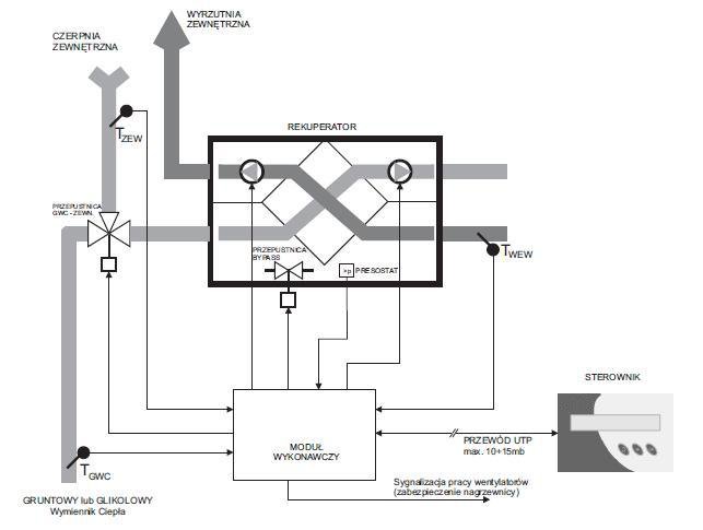
- sterownik jest przystosowany do sterowania przepustnicą GWC. W tej konfiguracji sterownik steruje przepustnicą doprowadzającą powietrze do rekuperatora z dwóch źródeł : z wymiennika gruntowego lub z czerpni powietrza zewnętrznego. W zależności od ustawienia opcji OGRZEWANIE / CHŁODZENIE, sterownik mierząc obydwie temperatury wybiera wyższą (opcja OGRZEWANIE) lub niższą (opcja CHŁODZENIE).