Syfon z blokadą mechaniczną HL 136.3 (pionowy)

Syfon kulowy do skroplin z blokadą mechaniczną HL 136.3 służą do bezciśnieniowego grawitacyjnego odprowadzenia skroplin w instalacjach klimatyzacyjnych i chłodniczych.

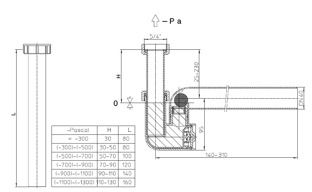
Syfon kondensacyjny pionowy z blokadą mechaniczną DN40 x5/4&HASH39;, z zamknięciem wodnym 60mm zaworem zwrotnym kulowym, czyszczakiem.

Zastosowanie:

Dane techniczne

Dane techniczne