|
Syfony z blokadą mechaniczną HL 136N służą do bezciśnieniowego grawitacyjnego odprowadzenia skroplin w instalacjach klimatyzacyjnych i chłodniczych.
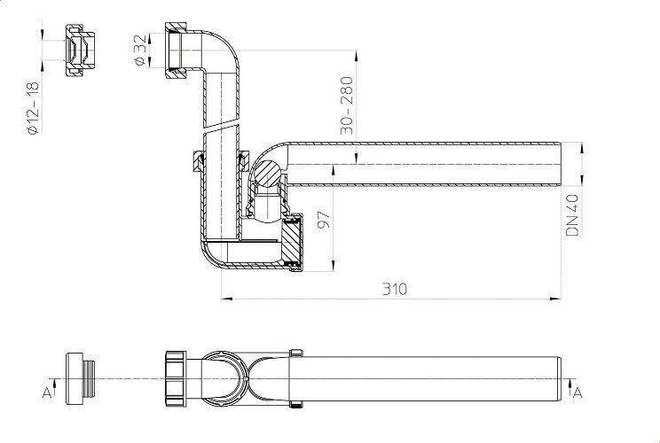
Syfon kondensacyjny DN40 poziomy z podłączeniem 5/4&HASH39; (DN32), względnie d 12 - 18 mm (dla gładkich węży) z pionowym lub poziomym zasyfonowaniem wodnym (60 mm), z mechanicznym zamknięciem przeciwzapachowym i czyszczakiem.
Zastosowanie:
Dane techniczne |
