|
Informacje |
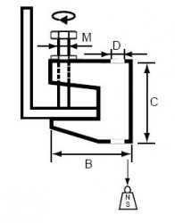
TDH - Klamry staliwne.
Klamry staliwne TDH używane są przy mocowaniu do dźwigarów prętów gwintowanych stosowanych do podwieszeń instalacji elektrycznych, grzewczych, wodnych, kanałów wentylacyjnych itp. Klamry są zwykle mocowane do dźwigarów stalowych różnych kształtów za pomocą śruby dociskowej stalowej o klasie 8,8.
Specyfikacja |
Wykonanie
Wymiary |

| Symbol | B [mm] |
C [mm] |
D [mm] |
M [mm] |
Obciążenie max. |
|---|---|---|---|---|---|
| TDH-06 | 48 | 42 | M6 | 10 | 110 kg |
| TDH-08 | 38 | 35 | M8 | 10 | 110 kg |
| TDH-010 | 45 | 42 | M10 | 10 | 240 kg |