|
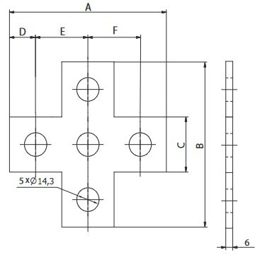
Złączka krzyżowa SM41-ZX- o 4 odejściach stosowana jest do łączenia krzyżowego szyn montażowych SM. Do zastosowań na zewnątrz budynków, produkt może być ocynkowany ogniowo.
Dane techniczne |

| Kod |
A [mm] |
B [mm] |
C [mm] |
D [mm] |
E [mm] |
F [mm] |
| SM41-ZX | 136 | 136 | 41 | 21 | 47 | 47 |