Informacje
SM - Szyna montażowa (profil nośny).
Szyny montażowe SM służą do wykonywania konstrukcji, poprzecznic i ram nośnych kanałów wentylacyjnych, urządzeń i wyposażenia instalacji jako profile nośne. W ofercie znajdują się dwa typoszeregi profili tworząc system zamocowań o symbolu 30, lub 41.
Specyfikacja
Zastosowanie produktu:
- lekkie konstrukcje stalowe
- budowa maszyn i urządzeń technologicznych
- sufity podwieszane
- wsporniki montażowo-instalacyjne
- montaż przewodów wentylacyjnych i klimatyzacyjnych
- montaż systemów sanitarnych
- montaż paneli fotowoltaicznych
Rodzaj materiału użytego do produkcji:
- blacha czarna gorącowalcowana dostarczana według norm: PN-EN 10025, PN-EN 10111
- blacha zimnowalcowana dostarczana według normy PN-EN 10130
- blacha ocynkowana ogniowo do obróbki na zimno oraz blacha ocynkowana ogniowo konstrukcyjna dostarczana według normy PN-EN 10346
- blacha odporna na korozję dostarczana według normy PN-EN 10088
Składowe systemu:
- SM - szyna montażowa
- WSM - wspornik profilu
- ZSM - zaślepka profilu
- GSM - guma amortyzacyjna profilu
- LSM - konsola nośna
- PLSM - podpora konsoli
Wymiary
| Symbol |
Wymiary przekroju poprzecznego [mm] |
Grubość ścianki [mm] |
Długość [mm] |
Opakowanie handlowe [szt/opak] |
Opakowanie zbiorcze [szt/opak] |
|---|---|---|---|---|---|
| SM-30/20-2000-1,8 | 30x20 | 1,8 | 2000 | 1 | 200 |
| SM-30/30-2000-1,8 | 30x30 | 1,8 | 2000 | 1 | 200 |
| SM-30/30-5000-1,8 | 30x30 | 1,8 | 5000 | 1 | 200 |
| SM-41/21-2000-2,5 | 41x21 | 2,5 | 2000 | 1 | 200 |
| SM-41/41-2000-2,5 | 41x41 | 2,5 | 2000 | 1 | 200 |
| SM-41/41-5000-2,5 | 41x41 | 2,5 | 5000 | 1 | 200 |
Rysunki
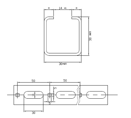
Profil 30x30x1.8

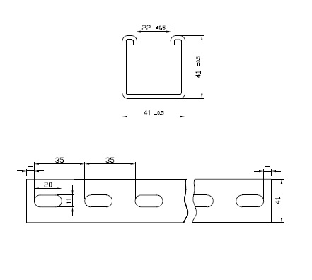
Profil 41x41x2.5
