Producent: RDJ Klima
Kod produktu: KWP-al
szt
Jesteś zainteresowany zakupami hurtowymi/instalatorskimi?
Skontaktuj się z naszym działem handlowym.
Skontaktuj się z naszym działem handlowym.
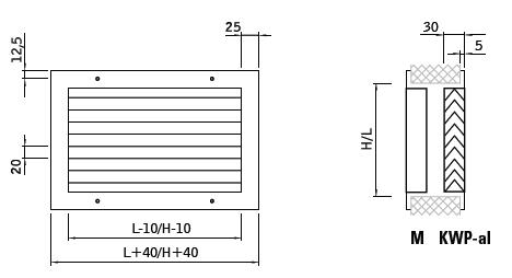
KWP-al - Kratka wentylacyjna aluminiowa przepływowa.
Zastosowanie:
Jako element ogólnego systemu wentylacji w celu zapewnienia przepływu pomiędzy pomieszczeniami poprzez przegrody budowlane.
Montaż:
Mocowanie za pomocą widocznych śrub w wytłaczanych otworach w ramce czołowej lub bez widocznych śrub z mocowaniem wciskanym w dodatkowej ramce montażowej RM.
Budowa:
Ramka czołowa oraz kierownice wykonane z wytłaczanych profili aluminiowych. Osadzenie kierownic poziome na stałe w sposób zasłaniający widoczność. Możliwość zamówienia kompletu wraz z ramką maskującą M.
Materiał:
Aluminium, stop 6063.
Wykończenie powierzchni:
Aluminium naturalnie anodyzowane lub powłoka lakiernicza proszkowa w kolorze zgodnym z katalogiem RAL.
Certyfikaty:
- Atest higieniczny: HK/B/1705/02/2008
Dane techniczne
