Producent: RDJ Klima
Kod produktu: KWP
szt
Jesteś zainteresowany zakupami hurtowymi/instalatorskimi?
Skontaktuj się z naszym działem handlowym.
Skontaktuj się z naszym działem handlowym.
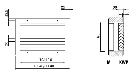
Kratka stalowa przepływowa KWP (wyrównawcza) jako element ogólnego systemu wentylacji w celu zapewnienia przepływu pomiędzy pomieszczeniami poprzez Przegrody budowlane w środowisku nieagresywnym o wilgotności względnej do 70%.
Montaż:
- w ścianach wewnętrznych lub drzwiach
- mocowanie za pomocą widocznych śrub w wytłaczanych otworach w ramce czołowej lub bez widocznych śrub z mocowaniem wciskanym w dodatkowej ramce montażowej RM.
Budowa:
- ramka czołowa oraz kierownice wykonane z walcowanych profili stalowych
- osadzenie kierownic stałe w sposób zasłaniający widoczność
- możliwość zamówienia kompletu wraz z ramką maskującą M.
Materiał:
- blacha czarna malowana proszkowo
- blacha ocynkowana
- blacha kwasoodporna
Wykończenie powierzchni:
- powłoka lakiernicza proszkowa biała RAL 9003 lub na zamówienie inna zgodna z katalogiem RAL.
Certyfikaty:
- Atest higieniczny
Dane techniczne
