Skontaktuj się z naszym działem handlowym.
Nagrzewnica wodna do zabudowy NKWz służą do ogrzewania powietrza w instalacjach wentylacyjnych i klimatyzacyjnych.
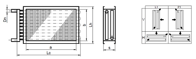
Typoszereg wymienników zawiera wielkości o wymiarach od 240x240 mm do 1440x1440mm. Wymienniki wykonywane są jako dwu lub trzy rzędowe. Zastosowana konstrukcja umożliwia łączenie wymienników w zestawy 4, 5 lub więcej rzędowe. Każdy z wymienników w seryjnym wykonaniu umożliwia odpowietrzenie i odwodnienie zarówno w pozycji pionowej jak i poziomej. W skład wymiennika wchodzi rama z kołnierzami; lamelowy wymiennik ciepła wykonywany z rurek miedzianych oraz lamel aluminiowych oraz kolektory i króćce miedziane z gwintami wewnętrznymi.
Warunki pracy
Zalecane jest zasilanie wymienników wodą o temperaturach do 110/70 C i ciśnieniu pracy do 1MPa. W standardowym wykonaniu nagrzewnice zasilane są od dołu a powrót wody grzewczej od góry. We wszystkich nagrzewnicach stosowany jest przeciwprąd i do takiego podłączenia odnoszą się dane techniczne dotyczące mocy cieplnych i temperatur końcowych powietrza.
Dane techniczne

Wszystkie wymienniki wodne (nagrzewnice do zbudowy) dobierane są i wyceniane pod konkretne zapytania ofertowe.