Regulatory temperaturowe RTSD-1-400
Skontaktuj się z naszym działem handlowym.
??? RST-1-400 - Panel przewodowy
czy
Regulatory temperaturowe RTSD-1-400
Dane techniczne
Zastosowanie:
Stosowany do sterowania temperaturowego w systemach wentylacji, ogrzewania i klimatyzowania powietrza jak również sterowania wentylatorami i zaworami agregatów ogrzewania powietrznego z trzy biegowymi wentylatorami 230 V. Pozwala w automatycznym systemie pracy zmieniać intensywność nagrzewania/ chłodzenia.
Opcje
- RST-1-400 - Panel przewodowy
- RSTD-1-400 - Panel przewodowy z pilotem
Konstrukcja i sterowanie
W obudowie panelu wykonanego z plastiku jest wbudowany czujnik temperatury. Na frontowej płycie pulpitu znajduje się wyświetlacz LCD z podświetleniem przycisku sterowania. Wyświetlacz wskazuje obecną oraz ustawioną temperaturę powietrza w pomieszczeniu, wybrany system (ochłodzenie, nagrzewanie) lub automatyczne ustawioną prędkość wentylatora. Prędkość wentylatora można ustawić ręcznie za pomocą przycisków sterowania. Istnieje możliwość sterowania trzema prędkościami (szybko, średnio, wolno) automatycznie w zależności od temperatury w pomieszczeniu.
Opcje
- podświetlenie monitora umożliwia korzystanie z pulpitów w warunkach słabego oświetlenia,
- podtrzymywanie temperatury z dokładnością do 1оС,
- zachowanie ustawień użytkownika po wyłączeniu zasilania,
- model RTSD-1-400 jest wyposażony w pilot,
- praca w „systemie nocnym” (patrz grafik pracy w systemie nocnym niżej).
Cechy funkcjonowania systemu nocnego:
Regulator temperatury jest ustawiony w systemie nagrzewania: za 30 minut po aktywacji nocnego systemu pracy temperatura w pomieszczeniu automatycznie obniża się o 1oC, następnie za godzinę obniża się o kolejny stopień. Po upływie godziny obniża się ponownie o 1oC i będzie utrzymywać się na tym poziomie przez najbliższe 8 godzin. Po włączeniu timera temperatura będzie automatycznie przywrócona do wyjściowego poziomu. Regulator temperatury jest ustawiony w systemie chłodzenia: za 30 minut po aktywacji nocnego systemu pracy temperatura w pomieszczeniu automatycznie się podwyższa o 1oC, po godzinie podwyższa się o kolejny 1oC, po upływie kolejnej godziny podwyższa się o 1oC i będzie utrzymywać się na danym poziomie jeszcze 8 godzin. Po wyłączeniu timera temperatura będzie przywrócona do wyjściowego poziomu automatycznie.
Montaż
Pulpit sterowania jest przeznaczony do montażu wewnątrz pomieszczeń. Proponowana wysokość montażu urządzenia 1,5 m od poziomu podłogi. Nie zaleca się ustawiania panela obok okna, drzwi, urządzeń grzewczych lub chłodzących.
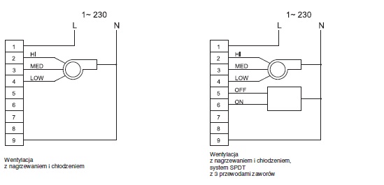
Schematy

