Producent: Hutterer & Lechner
Kod produktu: HL136.3
szt
Jesteś zainteresowany zakupami hurtowymi/instalatorskimi?
Skontaktuj się z naszym działem handlowym.
Skontaktuj się z naszym działem handlowym.
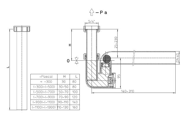
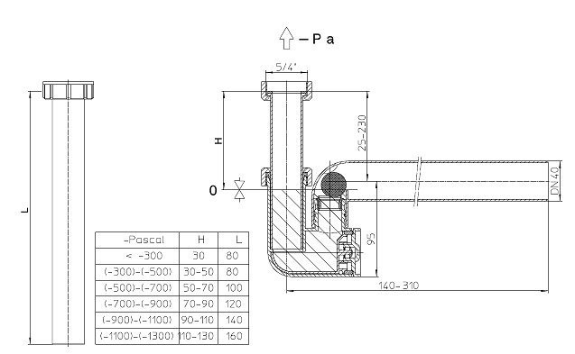
Syfon kulowy do skroplin z blokadą mechaniczną HL 136.3 służą do bezciśnieniowego grawitacyjnego odprowadzenia skroplin w instalacjach klimatyzacyjnych i chłodniczych.
Syfon kondensacyjny pionowy z blokadą mechaniczną DN40 x5/4', z zamknięciem wodnym 60mm zaworem zwrotnym kulowym, czyszczakiem.
Zastosowanie:
- urządzenia klimatyzacyjne
- instalacje kominowe
- urządzenia grzewcze itp.