Informacje
TDH - Klamry staliwne.
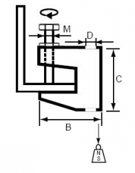
Klamry staliwne TDH używane są przy mocowaniu do dźwigarów prętów gwintowanych stosowanych do podwieszeń instalacji elektrycznych, grzewczych, wodnych, kanałów wentylacyjnych itp. Klamry są zwykle mocowane do dźwigarów stalowych różnych kształtów za pomocą śruby dociskowej stalowej o klasie 8,8.
Specyfikacja
Wykonanie
- stal cynkowana o grubości wg PN-EN 10152:1997 lub PN-EN 10326:2006
- stal nierdzewna 1.4301 wg PN-EN 10025-5:2007 lub PN-EN 10088-2:2007
- nakrętka wg PN-EN ISO 8673:2002 stal
- podkładka wg PN-EN ISO 7082:2002 stal
Wymiary

| Symbol | B [mm] |
C [mm] |
D [mm] |
M [mm] |
Obciążenie max. |
|---|---|---|---|---|---|
| TDH-06 | 48 | 42 | M6 | 10 | 110 kg |
| TDH-08 | 38 | 35 | M8 | 10 | 110 kg |
| TDH-010 | 45 | 42 | M10 | 10 | 240 kg |