Centrala wentylacyjna przypodłogowa LGF to idealne rozwiązanie dla dużych i skomplikowanych obiektów, takich jak: biurowce, hotele, muzea, teatry, uczelnie, szpitale, centra handlowe czy zakłady przemysłowe. Urządzenie to zapewnia oszczędność energii na poziomie nawet 70%, a w połączeniu z systemem klimatyzacji Mr. Slim lub City Multi VRF jest w stanie osiągnąć stopień sprawności i odzysku ciepła na poziomie 88%.
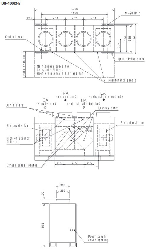
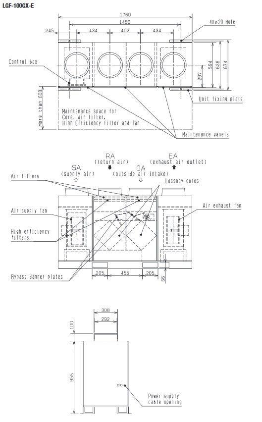
Urządzenie Lossnay LGF w wykonaniu spełniającym standardy higieniczne odznacza się specjalną konstrukcją obudowy i otrzymało, po przeprowadzeniu odpowiednich badań, certyfikat zgodności z wytycznymi VDI 6022. Oznacza to, że wszystkie elementy są wygodnie dostępne od frontu urządzenia, zatem można je z łatwością wyczyścić.
Zalety:
- Nawilża lub osusza świeże powietrze do wskazanego przez użytkownika poziomu.
- Urządzenie, w zależności od potrzeb, schładza bądź ogrzewa powietrze.
- Obudowa jednostki w wykonaniu spełniającym standardy higieniczne, wzorzec konstrukcyjny testowany zgodnie z VDI 6022. Wszystkie elementy są łatwo dostępne od przodu i nadają się do czyszczenia.
- Na wyposażeniu standardowym filtry F7.
- Możliwość zewnętrznego sterowania funkcją swobodnego chłodzenia. Funkcja przydatna do dostarczania do pomieszczeń chłodniejszego powietrza zewnętrznego w porze nocnej. Zmniejsza to dodatkowo zapotrzebowanie klimatyzacji na energię.
- Płytka wyposażona jest standardowo w przyłącze montowanego we własnym zakresie czujnika CO2. Czujnik CO2 służy do dostosowywania ilości świeżego powietrza do warunków panujących w pomieszczeniu.
- Nowa elektronika sterowania umożliwia bezpośrednie podłączenie do klimatyzatorów serii Mr. Slim ze sterownikiem A oraz systemów City Multi.
Oprogramowanie do wymiarowania i obliczania
Do rekuperatorów Lossnay dostępne jest oprogramowanie umożliwiające precyzyjne wymiarowanie i obliczanie.W ten sposób można wymiarować urządzenia oraz obliczać korzyści pod względem efektywności i oszczędności energii w porównaniu z tradycyjnymi rozwiązaniami.
